Dobry detektor podczerwieni powinien charakteryzować się sygnałem pomiarowym o dużej wartości oraz małą pojemnością cieplną – ponieważ szybko reaguje na zmiany temperatury.
Silny sygnał pomiarowy otrzymuje się dzięki stosowaniu materiałów o wysokim współczynniku piroelektrycznym i powierzchni o odpowiednich wymiarach. Z kolei niewielka grubość detektora przy zachowaniu odpowiedniej jego powierzchni pozwala na uzyskanie małej pojemności cieplnej.
Monokryształy z rodziny trójglicynowych są ferroelektrykami jednoosiowymi, w których oś ferroelektryczna jest skierowana prostopadle do naturalnej płaszczyzny ich łupliwości o wskaźniku (010). Charakteryzują się one wysokim współczynnikiem piroelektrycznym, co znaczy, że dają sygnał pomiarowy o znacznej wartości i są aktualnie stosowane głównie jako detektory w spektrometrach podczerwieni w formie cienkich płytek. Taką ich postać otrzymuje się poprzez mechaniczne odcinanie monokrystalicznych płytek z odpowiednio zorientowanego monokryształu lub poprzez ich odłupywanie od dużego monokryształu z wykorzystaniem jego naturalnej płaszczyzny łupliwości. Wymienione sposoby preparacji płytek powodują ograniczenia w osiąganiu ich minimalnej grubości i wiążą się z powstawaniem wewnętrznych naprężeń. Jednocześnie w literaturze brak jest informacji na temat możliwości otrzymywania monokryształów z rodziny trójglicynowych bezpośrednio o pokroju płytkowym.
Opatentowana metoda hodowli, dzięki zastosowaniu odpowiednich matryc wzrostu monokryształu, takich jak usieciowana żywica jonowymienna lub żel krzemionkowy, pozwoliła na otrzymanie gotowych, odpowiednio zorientowanych płytek monokrystalicznych o grubości od 5 do 20 μm z płaszczyzną określoną wskaźnikiem (010). Ponadto grubość oraz wielkość powierzchni otrzymanych płytek można regulować temperaturą i czasem, w których zachodzi proces hodowli. Co więcej, otrzymane zgodnie z opatentowaną metodą płytki monokrystaliczne wykazują właściwości, dzięki którym mogą być stosowane jako detektory podczerwieni w urządzeniach, takich jak spektrometry podczerwieni czy kamery termowizyjne.
Przykładową hodowlę monokrystalicznych płytek TGS (siarczan trójglicyny) naukowcy przeprowadzali w naczyniu polietylenowym w roztworze wodnym soli trójglicynowej w postaci siarczanu (VI) trójglicyny (TGS) – w obecności matrycy wzrostu. Ową matrycę stanowiła usieciowana żywica otrzymana w reakcji sulfonowania polistyrenu kwasem krzemionkowosiarkowym lub tlenkiem siarki (VI). Cienkie, monokrystaliczne płytki TGS otrzymano metodą odparowania wody z roztworu nasyconego w temperaturze 60 ⁰C. Proces ten trwał 3 tygodnie (fot. 1).
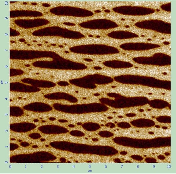
Badania wykonane mikroskopem sił atomowych (AFM) metodą piezoresponsu potwierdziły obecność domen ferroelektrycznych (fot. 2) w zakresie temperatur odpowiadających fazie ferroelektrycznej dla normalnego monokryształu TGS. Zarówno te analizy, jak i badania polaryzacji spontanicznej oraz przenikalności elektrycznej ε (wykres 1) potwierdziły zgodność właściwości ferroelektrycznych otrzymanych monokryształów TGS o pokroju płytkowym z odpowiednimi właściwościami monokryształów TGS w kształcie bryły wielościennej. Otrzymane monokryształy o pokroju płytkowym cechuje ponadto wysoka czystość i przezroczystość.
Opracowana technologia może być zatem alternatywą dla stosowanych dotychczas mechanicznych metod otrzymywania monokryształowych płytek z odpowiednio zorientowanego monokryształu. Otwierają się również nowe możliwości ich zastosowania, ponieważ:
- posiadają doskonałą krystalograficzną orientację – ferroelektryczna oś b jest prostopadła do ich powierzchni,
- ich niewielką grubość (od 5 do 20 μm) pozwala na budowę szybkich detektorów czy przetworników piroelektrycznych,
- ze względu na swoje parametry mogą być użyte w układach scalonych,
- ich wytwarzanie jest nieskomplikowane technologicznie i stosunkowo tanie
Twórcami wynalazku są naukowcy związani z Uniwersytetem Śląskim: dr Krzysztof Ćwikiel, mgr Krzysztof Nowak, dr hab. inż. prof. UŚ Wiesław Sułkowski oraz prof. zw. dr hab. Jerzy Zioło.








